DC 12V 1.76A
DC 24V 1.2A
產品特點:
- 適用于5通徑KBPS電液比例溢流閥
- 配備手動調整裝置
- 線圈內孔φ19,全塑裝工藝
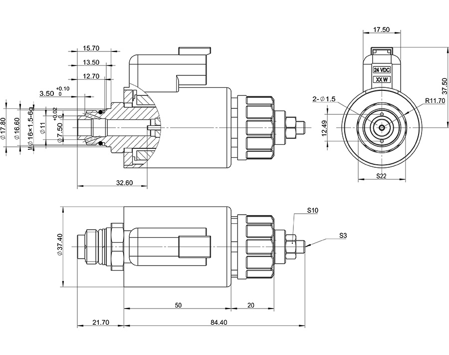
外形及連接尺寸:
|
技術參數/technical parameter |
|||
|
環(huán)境溫度 Ambient temperature |
℃ |
-25~50 |
|
|
額定電壓 Rated voltage |
VDC |
12 |
24 |
|
額定電流 Rated current |
A |
1.76 |
1.2 |
|
最大電流 Maximum current |
A |
1.8 |
1.25 |
|
額定電阻 Rated resistance |
Ω |
2.3 |
4.8 |
|
額定行程 Rated stroke |
mm |
2.4 |
|
|
全行程 Full stroke |
mm |
2.7 |
|
|
額定推力 Rated thrust |
N |
40 |
|
|
力滯環(huán) Force hysteresis |
% |
≤4 |
|
|
電流滯環(huán) Current hysteresis |
% |
≤4 |
|
|
重復精度 Repetition accuracy |
% |
≤1 |
|
|
工作油壓 Working oil pressure |
MPa |
≤21 |
|
|
防護等級 Degree of protection |
IP67 |
||
|
通電持續(xù)率 Power on duration |
% |
100 |
|
|
絕緣等級 Insulation class |
H(180) |
||
|
電氣連接方式 Electrical connection mode |
DT04-2P |
||
注意事項:
1.首次使用或長期停機后啟用,請先將系統(tǒng)內空氣排凈!
2.可任意方向安裝,建議水平安裝。
力- 位移特性曲線:
簡體中文
English
Русский